Please take your time to look through my academic portfolio or my work history to learn more about me and my career.
Member (January 2023 to May 2024) > Co-President (May 2024 to Present)
As co-president of the ASME student chapter at San Francisco State, myself alongside our team of officers have been leading a couple of new initiatives to provide a diverse range of opportunities and events for engineering students at our university. We have massively increased outreaching and canvassing efforts on campus, resulting in increasing our membership numbers by more than double and maintaining high attendance for all of our events, regardless of their nature. Alongside this, we have led a more collaborative direction between student-led clubs on campus, as well as prioritizing community via hosting social events, creating a more active and interconnected environment for engineering students. Additionally, we’ve hosted a variety of different workshops and info sessions, inviting a diverse pool of companies to appease the wide interests of our student body.
Member (January 2023 to May 2024) > Outreach Officer (May 2024 to May 2025) > Member (May 2025 to Present)
As one of the outreach officers for the ASCE student chapter at San Francisco State, we prioritized reaching out to as many civil-related companies as possible to provide students with a variety of companies in different industries within the field for our school’s semiannual engineering career fair. I also helped maintain good relations with these companies, inviting top engineering firms such as McCarthy, PG&E, and DPR Construction to our campus for company info sessions. Additionally, we have been currently working with UC Berkeley to host the Mid-Pacific ASCE Student Symposium for April 2025, which involves contacting potential judges and communicating with other ASCE chapters.
Member (May 2025 to Present)
Member (January 2025 to Present)
Member (January 2023 to Present)
Member (January 2023 to Present)
Member (August 2022 to Present)
Make sure to click "Learn More" to get more information on each project, and check out the photo gallery for all of my projects using the button at the bottom of this list.
This was the final project for my Intro to Solidworks course, where the objective was to design a quadrotor drone using 3D-printed material, with all parts modeled in Solidworks from scratch (except imported McMasterCarr parts). The project subject came from the challenge of reverse engineering a mock quad drone for an ASME IAM3D competition. The parts were existing off-the-shelf components that were recreated with accurate dimensions for future 3D printing, except for the gripper mechanism used to pick up and set down cubes (see list below). which was ideated and designed from scratch. The CAD models for the gripper assembly included assembly drawings, as if the gripper mechanism were to be machined. The quadrotor drone had to meet a series of requirements for the model to be fully functional, if replicated in real life:
> Max volume of 250 x 250 x 250 mm
> Needs to be have ease of assembly and easily repairable
> All components assigned have to be attached to the finally drone assembly, in a neat manner
> Drone has a mechanism to pick up and set down a 1 x 1 x 1 in cube
To create all the components in Solidworks, we used all of the techniques and tools taught throughout the course, including a variety of sketching, features, assembly, simulation, and rendering tools found inside the software, to create each component from reference images and data sheets provided by the professor. Afterwards, we downloaded all additional pieces from McMasterCarr (e.g. bolts, nuts, washers, etc) and created the full drone assembly. Then we were tasked with coming up with our own solution to pick up and set down the cubes using a simple servo motor, generating not only the CAD files and attaching them to the drone, but also a BOM and assembly drawings for our cube gripper solution. Next, we generated an exploded view animation of the drone and a propeller motion video to demonstrate how the drone would look when powered on in real life. Lastly, we did a presentation introducing the original IAM3D design challenge, breaking down our methods/techniques used for each components, explaining the assembly process, and describing the methodology and design choices for the gripper assembly.
Click here to download all gripper assembly drawings
This project report assigned in my Heat Transfer course tackled our understanding of transient thermal behavior by trying to predict, and then running simulations on the thermal behavior of disc brakes under different braking conditions. Disc brakes need to undergo thorough tests on thermal distribution since the heat buildup while braking can reduce friction, harm their performance, and even potentially cause failure. The study my team and I conducted focused on comparing a perforated disc brake with a solid disc brake (no holes/grooves), to observe how design choices affect the maximum temperature, cooling distribution, and overall efficiency reached by both disc brakes. We also investigated the effect of ambient temperature and different weather conditions on a brake’s performance.
Using the transient conduction equation for cylindrical equation, we had the theoretical foundation of our temperature distribution model, which tested three different cases:
> Case I: Constant power applied using circular brake pads
> Case II: Linearly decreasing power using ring-shaped brake pads
> Case III: Linearly decreasing power using circular brake pads
Two STL models were used, a perforated disc brake provided by our professor, and a solid disc brake created by us, to be analyzed in MATLAB simulations. These simulations gave the runtime and maximum temperature for all three cases on each disc brake, as well as displaying the cooling distribution over time on the STL model of the disc. We also conducted a parametric study on how different ambient temperatures affect convective cooling and risk of brake failure using simulation data and outside sources.
Our results showed that the perforated disc achieved more even cooling distribution, yet it reached a higher maximum temperature in most cases, due to the reduced area for conduction and increased thermal resistance. In Case II, both designs reached similar maximum temperature, while in Cases I and III, the difference was more apparent with the solid disc staying cooler but with worse heat dissipation. The parametric study revealed that higher ambient temperatures reduce heat dissipation and increase the risk of brake fade. The study also showed that colder or wet weather enhances the brake’s cooling ability, but they also reduce friction and can even causing warping. The overall results showed that their are trade-offs between cooling effectiveness, maximum temperature, and real-world operating conditions that need to be considered for any design choice.
Click here to download the technical report
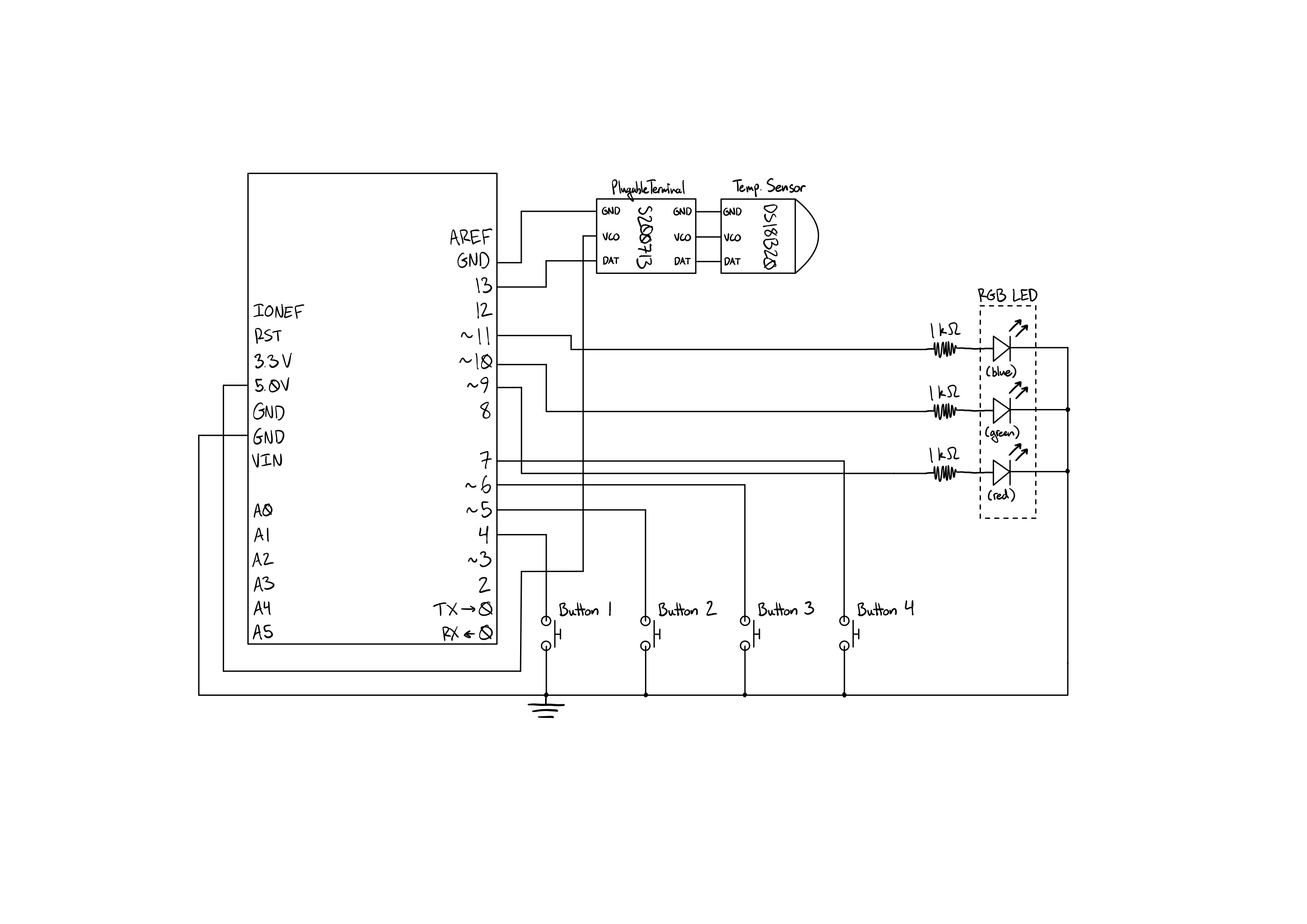
This project was the final project for my Intro to Microcontrollers course, an opportunity for us to freely create a device that solved a problem in our day-to-day lives, incorporating the use of a microcontroller as well as related circuit components. My project is an attachment for my stovetop kettle that replaces the kettle lid with a device that can let the user know when their water is ready, with an ability to set the temperature depending on the drink desired. The electric kettle attachment has a temperature probe that detects the water temperature, a series of buttons to set what temperature the user would like the water at, and a RGB LED alerting the user when the water is ready. These parts were connected together using a breadboard and controlled by an Elegoo UNO R3, all of which were housed inside a custom-designed case printed using PLA plastic, made with the help of the dimensions of the old top for the kettle for a perfect fit.
Originally, I had planned to design and build a simple drip coffee machine, but repeated hardware failures (including a nonfunctional water level sensor and a broken heating element) made the project unsafe to continue. As a result, I pivoted to creating an electric kettle attachment for my stovetop kettle, incorporating a DS18B20 temperature sensor, an RGB LED, control buttons for temperature thresholds, and a microcontroller,
I drew a handwritten schematic to lay out how the components would be put together, then I recreated the schematic in TinkerCAD and wrote some initial code to test how the microcontroller would respond to the water temperature meeting the request threshold, using a potentiometer in place of the temperature sensor.
After confirming that my code worked, I uploaded it to my Elegoo UNO R3 microcontroller and tested the device in real life by placing the temperature probe in hot water and setting a reduced testing threshold. Once my electronics worked instead of malfunctioning like the previous version, I got to worked to design and 3D print the housing for my project, all of which was done using reference measurements from my kettle and designed on Fusion360. Lastly, I put the entire project together and confirmed that it worked in real life, submitted a project report going into detail about the design and building process, and showed my result later that week in a class presentation.
Click here to download the final project report
Click here to download the presentation slides
This was the first project I did in my engineering career, during my first semester in my engineering graphics class. Our final project challenged us to recreate a tool or appliance in AutoCAD, and my group chose an electric screwdriver, with my portion of the project being the most intricate component: the gearbox. We had to include a list of pieces in our final drawing, as well as display them during our project presentation:
> Fully assembled model
> An exploded view
> Numbered call outs on the exploded view parts
> List a Bill of Material (BOM) of the numbered balloons callout (part number, material, description, and quantity)
> One part three orthogonal views (Front, top, and right side views)
> One section view
> Add any additional feature as desired
We learned the basics on how to design and dimension parts, using a variety of sketching, extrusion, and assembly tools to recreate the different components. We also practiced putting components in different views, at first hand-drawn, then in AutoCAD as seen in the final drawing. We then progressed to creating assembly and placing those in part drawings, and at the end learned how to make those drawings detailed enough for manufacturing, including accurate dimension, tolerancing, call outs, and a BOM.
Currently working in the SFSU machine shop, where I am being trained in operating the various machine shops tools and equipment, to move towards assisting capstone project teams and student-led build teams in designing/creating prototypes. A majority of my duties are held in the newly-opened makerspace in SEIC 120, with additional assistance to the main machine shop when needed.
* Paired alongside research position through the Gilead Foundation
Currently working in the CARE Lab under Dr. David Quintero, where my current objective is to create a viable prototype insole to house embedded force pressure sensors in a wearable medical device designed to monitor health via walking gait, using Solidworks and 3D printing for the preliminary designs. This prototype is to work towards a final product for the Smart Shoe-Insole Project, which focuses on a wearable device designed to aid in the rehabilitation of patients with neurological disorders by monitoring and analyzing key metrics.
* Paid research position funded by the Gilead Foundation
Working as a special needs tutor in individual sessions at the student’s residence, for a range of K-6 students with different goals to meet and disabilities to accommodate for. I develop personalized tutoring plans based on their IEP, parent information, and any learning difficulties they might have. These are then implemented in tutoring sessions tailored towards an optimal path of learning for them, with session debriefs and progress tracking to ensure learning.
* Contracted under High Impact Education, LLC
I do a variety of tasks to maintain the quality and speed of this popsicle catering company. My daily tasks include packing and organizing over 5000 popsicles per week, prepping pop carts for events, do 1000 popsicle deliveries to Filoli Gardens semiweekly, and serve as a backup employee for larger catering events. I also created a streamlined system to prep for anticipated events, and helped in developing methods to customize made-to-order popsicles.
As a teaching assistant for the Materials of Engineering course, I grade and provide detailed feedback on homework assignments and lab memos for approximately 60 students. For the Dynamics course, I grade and provide feedback for quizzes and group work assignments for another roughly 60 students. Additionally, I collaborated with the ASME study groups initiative to offer tutoring support, helping students better understand course material and improve their academic performance.
At one of the San Francisco YMCA's off-site locations, I participate as a STEAM Specialist, a volunteer position for the school's after-school program through a work-study program at ICCE (Institute for Civic and Community Engagement). I managed and developed K-5 students, working with 10 to 40 children daily. I facilitated programming that allowed students to engage with STEAM-related activities and supported the coordination of events and outreach initiatives aimed at fostering interest in science, technology, engineering, arts, and math.
* Work Done through Community-Based Intern Position at ICCE (Institute for Civic and Community Engagement)
As a project group intern, my main tasks were to assist in the estimation and bid process for potential and new jobs, as well as participating in preliminary design and collecting proposal data. This was followed with daily tasks such as writing letters and change orders to members of the company, communicating directly with clients, handling product documents and construction plans. The internship process also involved weekly workshops organized by the company for first-year interns and new hires to become more knowledgeable about all of the different divisions within the company, as well as attending several jobsite visits as an opportunity to see our assigned projects in person.
As a student staff member for game days, I worked alongside a group of roughly 15 students and faculty in a variety of tasks. This included administering live broadcasts, controlling the scoreboard, managing the camera to record matches, tracking points and fouls during matches, as well as set up and took down the equipment used for the different sports. I worked in most sports matches, including soccer, basketball, baseball, volleyball, track and field, and more.
As an assistant technician, I worked closely with a small team of experienced HVAC technicians in various aspects. I was primarily trained in diagnostics, investigating appliance issues and conducting sales on a day-to-day basis. Additional tasks included transporting machines, parts, and other equipment to different jobs across the Greater Bay Area, as well as assisting in the installation of new appliance systems. Aside from assisting the main diagnostics technician, I led appliance diagnostics and assisted in HVAC installations.
* Formerly known as Airtech Solutions
Hello, I’m José Barrios, a Mechanical Engineering student at San Francisco State University with a minor in Electrical Engineering, aspiring to work in robotics, advanced manufacturing, and automation. My passion for engineering began when I was a kid while watching my dad and uncles repair HVAC equipment, which led me to wonder how machines worked and how each part played its role. This curiosity turned into a commitment in high school when I joined my high school robotics team and participated in SMASH, a summer STEM program for disadvantaged Bay Area students. These experiences helped me create technical skills, exposed me to the engineering design process, and showed me professional development opportunities, alongside hands-on work experience as an assistant HVAC technician.
At SFSU, I built upon these skills through coursework, campus leadership, and involvement in extracurriculars. As a commuter student, I worked to integrate into and reinvigorate campus life after the pandemic, eventually becoming Outreach Officer for the ASCE chapter and Co-President of the ASME chapter, where I focused on rebuilding student engagement and introducing many professional development and career opportunities. I also became a part of a research lab developing tensegrity structures, worked as a student assistant for two professors, and working throughout my college career, accumulating a variety of soft skills and insight in advanced research. Now in my fourth year, I’ve maintained strong academic performance, cultivated a supportive student community, and am preparing to launch SFSU’s first combat robotics team while developing ideas for my capstone project. Balancing my studies, leadership roles, and personal robotics projects, I’m eager to bring my skills and dedication to future opportunities, contributing to innovative engineering teams and continuing to grow as a problem-solver and collaborator.